
(za davač istosmjernog napona i termoelement)
Karakteristike:

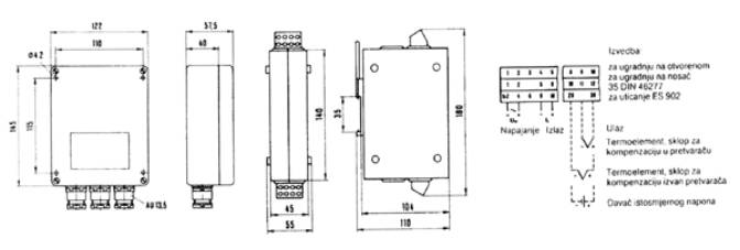
NAMJENA
Četverožični pretvarači imaju galvanski odvojen krug napajanja od signalnih vodova što znači da trebaju dvije žice za napajanje (220V, 110V, 24V, 50Hz ili 24V-) i dvije žice za izlazni signal 0 do 20mA ili 4 do 20mA.

NAČIN RADA
Pretvarači signala su uređaji koji pretvaraju mjerni signal kojega daje naponski davač (termoelement ili drugi davač istosmjernog napona) u standardni strujni signal 0 do 20mA ili 4 do 20mA. U slučaju kada je davač termoelement može se koristiti sklop za kompenzaciju utjecaja temperature hladnog kraja termoelementa za referentnu temperaturu 20°C, ugrađen u pretvarač. Unutar deklariranih granica može se podesiti bilo koje mjerno područje, zatim pozitivno ili negativno potiskivanje početka mjernog područja, kao i padajuća ili rastuća karakteristika nadzora kod prekida naponskog davača. Podešavanje se vrši kod puštanja u pogon, a u tu svrhu potreban je odgovarajući davač napona, kao i mV-metar i mA-metar.
Ulaz i izlaz pretvarači signala galvanski su spojeni, a od mreže su galvanski razdvojeni i kod izmjeničnog i kod istosmjernog napajanja. Ako se želi galvansko odvajanje ulaza od izlaza dodaje se stupanj za galvansko odvajanje.
U pretvarači signala je ugrađena zaštita od naponskih trenzijenata na svim priključcima i zaštita od VF-smetnji. Proizvode se izvedbe pretvarača u plastičnim kućištima za ugradnju na otvorenome (IP55-DIN40050) i za ugradnju na nosač 35 DIN 46277 (IP00-priključci, IP20-kućište).
|
TEHNIČKI PODACI |
|
|
|
|
|
Naponski davač |
Termoelement ili drugi davač
istosmjernog napona |
|
Mjerni raspon |
5 mV do 45mV |
|
Početak mjernog područja |
0 mV do +/- 75mV |
|
Radni ulazni otpor |
>25k Ohm/mV |
|
Dozvoljeni otpor vodova i davača |
Bez nadzora prekida davača: <250 Ohm/5mV mjernog raspona <1800 Ohm/45mV mjernog raspona S nadzorom prekida davača: >100 Ohm/5mV mjernog raspona <720 Ohm/45mV mjernog raspona Međuvrijednosti se linearno
interpoliraju |
|
Izlazni signal i petlja |
0 do 20mA (4 do 20mA), naponski linearan 0 do 700 Ohm ograničenje -1mA, +40mA |
|
Vremenska konstanta |
T99</-250ms |
|
Temperatura okoline |
-10°C do +65°C |
|
Napajanje i potrošnja |
220V, 110V, 24V: +/-15%; 48 do 62 Hz;
ca 4VA; 24V istosmjerno; +/-4V; ca 4W |
|
Linearnost |
< 0,2% raspona izlaznog signala |
|
Utjecaj petlje |
< 0,2% raspona izlaznog signala/700
O promjene |
|
Utjecaj vodova |
< 0,2% raspona izlaznog signala/20 O
promjene (trožično) |
|
Utjecaj temp. okoline |
< 0,4% raspona izlaz signala/10K
promjene |
|
Utjecaj napajanja |
< 0,2% raspona izlaz signala/15%
promjene |
|
Masa |
cca. 0,5kg |
ČETVEROŽIČNI PRETVORNIK OTPORA I TEMPERATURE
(za potenciometar i otporni termometar Pt100)
Karakteristike:

PRIMJENA
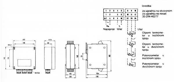
Četverožični pretvarači signala imaju galvanski odvojen krug napajanja od signalnih vodova što znači da trebaju dvije žice za napajanje (220V, 110V, 24V, 50Hz ili 24V-) i dvije žice za izlazni signal 0 do 20mA ili 4 do 20mA.

NAČIN RADA
Pretvarači signala su uređaji koji pretvaraju mjerni signal kojega daje otporni davač (otporni termometar Pt100 ili potenciometar) u standardni strujni signal 0 do 20mA ili 4 do 20mA. Izlazni signal može biti linearno proporcionalan otporu ili temperaturi. Unutar deklariranih granica može se podesiti bilo koje mjerno područje. Podešavanje se vrši kod puštanja u pogon, a u tu svrhu potrebna su samo dva nadomjesna otpora koji odgovaraju početku i kraju željenog mjernog područja i odgovarajući mA-metar.
Otporni davač može se spojiti trožilnim kablom na pretvarač, što omogućuje kompenzaciju otpora dovoda od 100 Ohm, a justiranje linija nije potrebno. kod prekida otpornog davača izlazni signal raste iznad 20mA. pomoću dva otporna termometra Pt100 može se mjeriti temperaturna diferencija.
Ulaz i izlaz pretvarača mogu biti galvanski odvojeni, a od mreže su galvanski razdvojeni i kod izmjeničnog i kod istosmjernog napajanja.
U pretvarač je ugrađena zaštita od naponskih trenzijenata na svim priključcima i zaštita od VF-smetnji. Proizvode se izvedbe pretvarača u plastičnim kućištima za ugradnju na otvorenome (IP55-DIN40050) i za ugradnju na nosač 35 DIN 46277 (IP00-priključci, IP20-kućište).
|
TEHNIČKI PODACI |
||
|
|
|
|
|
Otporni davač |
Otporni termometar Pt100 |
Potenciometar |
|
Karakteristika mjernog pretvarača |
Temperaturno-linearna |
Otporno linearna |
|
Mjerni raspon |
50K </- dt </- 500K (25K </- dt </- 270K) |
20 Ohm </- dR </- 220 Ohm (10 Om</-dR</-120Om) |
|
Početak mjernog područja |
-200°C </-t</-350°C (-200°C</-t</-215°C) |
0 Om </- R </- 247,5 Om 0 Om </- R </- 200 Om |
|
Struja kroz otporni davač |
1mA do 6mA ovisno o mjer. rasponu |
|
|
Justiranje vodova |
U trožičnom spoju nije potrebno |
|
|
Izlazni signal i petlja |
0 do 20mA (4 do 20mA), naponski linearan 0 do 700 Ohm ograničenje -1mA, +40mA |
|
|
Vremenska konstanta |
T99</-250ms |
|
|
Temperatura okoline |
-10°C do +65°C |
|
|
Napajanje i potrošnja |
220V, 110V, 24V: +/-15%; 48 do 62 Hz;
ca 4VA; 24V istosmjerno; +/-4V; ca 4W |
|
|
Linearnost |
< 0,2% raspona izlaznog signala |
|
|
Utjecaj petlje |
< 0,2% raspona izlaznog signala/700
O promjene |
|
|
Utjecaj vodova |
< 0,2% raspona izlaznog signala/20 O
promjene (trožično) |
|
|
Utjecaj temp. okoline |
< 0,4% raspona izlaz.signala/10K
promjene |
|
|
Utjecaj napajanja |
< 0,2% raspona izlaz.signala/15%
promjene |
|
|
Masa |
cca. 0,5kg |
|
DVOŽIČNI PRETVORNIK OTPRORA I TEMPERATURE
(za davač istosmjernog napona i termoelement)
Karakteristike:
TERMOELEMENT
mV DAVAČ ISTOSMJERNOG NAPONA

NAMJENA
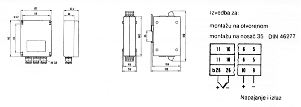
Dvožični pretvarač pretvara mjerni signal kojeg daje naponski davač (termoelement ili drugi davač istosmjernog napona) u standardni strujni signal 4 do 20mA. Uređaj se napaja iz posebnog izvora preko dvije žice po kojima teče i signalna struja (dvožični sistem 4 do 20mA).
Izvedba pretvarača sa termoelementom ima ugrađen sklop sa Pt100, otpornikom za kompenzaciju utjecaja temperature hladnog kraja termoelementa za referentnu temeperaturu 20°C.
IZVEDBA
Uređaj se proizvodi u dvije izvedbe:
- u plastičnom kućištu za montažu na nosač 35 DIN 46277
(IP00-priključnice, IP20-plastično kućište)
- u plastičnom kućištu za montažu na otvorenome (IP55 DIN 40050)
|
TEHNIČKI PODACI |
|
|
|
|
|
Naponski davač |
Termoelement ili drugi davač
istosmjernog napona |
|
Mjerni raspon |
4 do 100mA |
|
Početak mjernog područja |
-20 do 60 mV |
|
Ulazni otpor |
</-25 kOhm/mV |
|
Ulazna struja |
>/-40nA |
|
Karakteristika pretvarača |
nponski-linearna |
|
Vremenska konstanta |
</-250ms |
|
Izlazni signal |
4 do 20mA |
|
Ograničenje izlaznog signala |
ca 25mA |
|
Napajanje |
12 do 40V-(12 do 30V- kod Exi izvedbe) |
|
Opterećenje |
Rizl=(Un-12V)/20mA (Un-napon napajanja) |
|
Temperatura okoline |
-10°C do +65°C |
|
Linearnost |
< 0,2% raspona izlaznog signala |
|
Utjecaj temp. okoline |
< 0,2% raspona izlaz.signala/10K
promjene |
|
Utjecaj napajanja |
< 0,2% raspona izlaz.signala/12 do
40V promjene |
|
Utjecaj opterećenja |
isti efekt kao kod promjene napajanja |
|
Masa |
cca. 0,6kg |
|
TEHNIČKI PODACI |
|
|
|
|
|
MJERNO PODRUČJE -
Mjerni
raspon -
Početak
mjernog područja |
Kontin. podesivi (vidi pod. za
narudžbu) Potiskivanje ili izdizanje do 500%
mjernog područja |
|
IZLAZNI SIGNAL |
4 do 20mA |
|
NAPAJANJE |
12 do 35V-(12 do 30V-u Exi krugovima) |
|
OPTEREÆENJE |
0 do Rmax, Rmax=(U-12)/20mA U = napon napajanja |
|
TEMPERATURA OKOLINE |
-40°C do +105°C za ćeliju -30°C do +70°C za pojačalo |
|
TOČNOST MJERENJA |
+/- 0,2% podešenog mjernog područja |
|
LINEARNOST |
+/- 0,1% podešenog mjernog područja |
|
STABILNOST |
+/- 0,2% podešenog mjernog područja za
6 mjeseci |
|
HISTEREZA I PONOVLJIVOST |
0,05% podešenog mjernog područja |
|
PRIGUŠENJE IZLAZNOG SIGNALA |
Kontinuirano podesivo između 0,2 i 1,7
sekunde |
|
UTJECAJ STATIČKOG TLAKA |
Za nulu: +/- 0,25% za 140 bar, na
mjerno područje: -1 +/- 0,25 za 140 bar (sistemska greška – može se uzeti u
obzir pri podešavanju) |
|
UTJECAJ TEMPERATURE OKOLINE |
Pri max. mjern. rasponu +/- 0,2%/10K Pri min. mjern. rasponu +/-0,2%/10K Za ćeliju M3 greške su dvostruko veće |
|
UTJECAJ VIBRACIJE |
+/- 0,05% gornje granice raspona za
svaki g do 200Hz u bilo kojoj osi |
|
DOZVOLJENO JEDNOSTRANO PREOPTEREÆENJE |
Za ćeliju M3 do 140 bar, za ćeliju M4,
M5, M6, M7 i M8 do 140 bar ili 310 bar za ćeliju M0 do 520 bar |
|
MATERIJAL U DOTICAJU S MEDIJEM |
Æelija: nehrđajući čelik (Č.4573) Prirubnice i adapteri: nehrđajući čelik
(Č.4573) Brtva: Viton |
|
MASA |
cca. 6kg |
|
ZAŠTITA |
IP 56 prema DIN 40050. |
DVOŽIČNI PRETVORNIK OTPRORA I TEMPERATURE
(za potenciometar i otporni termometar Pt100)
Karakteristike:
OTPORNI TERMOELEMENT Pt100,
OTPORNI DAVAČ (POTENCIOMETAR)

NAMJENA
Dvožični pretvarač pretvara mjerni signal kojeg daje ptporni davač (otporni termometar Pt100, potenciometar) u standardni strujni signal 4 do 20mA. Uređaj se napaja iz posebnog izvora preko dvije žice po kojima teče i signalna struja (dvožični sistem 4 do 20mA).
Pri upotrebi otpornog termometra izvršena je linearizacija nelinearne karakteristike Pt100 tako da je izlazni signal proporcionalan temperaturi. U slučaju prekida senzora izlazni signal poraste iznad 10mA.
IZVEDBA
Uređaj se proizvodi u dvije izvedbe:
- u plastičnom kućištu za montažu na nosač 35 DIN 46277
(IP00-priključnice, IP20-plastično kućište)
- u plastičnom kućištu za montažu na otvorenome (IP55 DIN 40050)
|
TEHNIČKI PODACI |
||
|
|
|
|
|
Otporni davač |
Otporni termometar Pt100 |
Potenciometar |
|
Karakteristika mjernog pretvarača |
Temperaturno-linearna |
Otporno linearna |
|
Mjerni raspon |
dR=10 do 300O=25 do 800K |
dR=10 do 1000 Ohm |
|
Početak mjernog područja |
10 di 280O =-200 do 500°C |
0 do 50 Ohm |
|
Struja kroz otporni davač |
</-2mA |
|
|
Justiranje vodova |
U trožičnom spoju nije potrebno |
|
|
Izlazni signal |
4 do 20mA |
|
|
Ograničenje izlaznog signala |
cca 25mA |
|
|
Napajanje |
12 do 40V-(12 do 30V- kod Exi izvedbe) |
|
|
Opterećenje |
Rizl=(Un-12V)/20mA (Un-napon napajanja) |
|
|
Temperatura okoline |
-10°C do +65°C |
|
|
Linearnost |
< 0,2% raspona izlaznog signala |
|
|
Utjecaj vodova |
< 0,2% raspona izlaznog signala/20 O
promjene (trožično) |
|
|
Utjecaj temp. okoline |
< 0,2% raspona izlaz.signala/10K
promjene |
|
|
Utjecaj napajanja |
< 0,2% raspona izlaz.signala/12 do
40V promjene |
|
|
Masa |
cca. 0,5kg |
|
SIGNALIZATOR S JEDNOM ILI DVIJE GRANIČNE VRIJEDNOSTI
Karakteristike:

PRIMJENA
Signalizator se koristi za nadzor podešene granične vrijednosti mjerne veličine pretvorene u standardni strujni (0/4...20mA) ili naponski (0...10V) signal. Najčešće se primjenjuje za signalizaciju maksimuma ili minimuma (uključivanje alarmnih uređaja) odnosno blokadu (isključivanje pumpe, gorionika, zatvaranje izvršnog organa i sl.).
Signalizator se primjenjuje u mjernim krugovima protoka, tlaka, razine, temperature, analiza gdje se uključuje u strujnu petlju standardnog mjernog signala 0 ili 4 do 20mA, samostalno ili u seriju s drugim uređajem (pokazni instrument, regulator ili pisač).
Za signalizaciju granične vrijednosti temperature može se koristiti verzija s direktnim priključkom otpornog termometra Pt100 (nije potreban pretvornik temperature).
Kod prekoračenja podešenog minimuma i/ili maksimuma, crvenom LED diodom i otpuštanjem releja dojavljuje se alarm. U slučaju nestanka napajanja gasi se zelena LED dioda i otpušta relej, što također izaziva alarm.
Signalizatori se isporučuju u tri različita kućišta, u plastičnom kućištu za montažu na nosač 35mm DIN 46 277 za montažu u kabini, u metalnom kućištu 72x72mm za ugradnju na prednju ploču pulta i kao utična kartica širine 2 SEP za sistem ES 902. Izvedba za montažu na šine i ES 902 mogu imati dva galvanski odvojena ulaza i koriste se za nadzor jedne granične vrijednosti na svakom ili za nadzor i minimuma i maksimuma na samo jednom ulazu.
Svaki mjerni ulaz je galvanski odvojen od alarmnog ulaza i napajanja. Kod izvedbe za ugradnju u pult mogu se pričvrsni elementi montirati na sve četiri strane kućišta. Na taj način može se nekoliko uređaja ugraditi u zajednički otvor na pultu bez pregrade.
NAČIN RADA
Granične vrijednosti podešavaju se kodir preklopkom na prednjoj ploči uređaja i to u granicama od 0 do 99% ulazne vrijednosti. Izbor funkcije nadzora (minimum ili maksimum) vrši se kodir preklopkom, odnosno pomoću dva kratkospojnika za ES 902 izvedbu. Moguće je podešavati i histerzu, kako ne bi došlo do osciliranja u blizini graničnih vrijednosti. Signalizator za nadzor temperature omogućuje direktno priključenje Pt100 otpornog termometra.
|
TEHNIČKI PODACI |
|
|
|
|
|
Ulaz |
Strujni, naponski ili Pt100 |
|
Granične vrijednosti |
0...99% |
|
Ulazni otpor 0...20mA 4...20mA 0...10mA |
6.2 Ohm <6.2 Ohm 10 kOhm |
|
Izlaz dozvoljena snaga preklapanja dozvoljeni napon preklapanja dozvoljena struja preklapanja |
preklopni kontakt bez potencijala max. 50W max. 250W max. 5A |
|
Napon napajanja |
AC 48...62 Hz, 220, 110 ili 24 V +/-
15% DC 24 V (18...30V) |
|
Potrošnja |
5VA (5W kod 24V DC) |
|
Dozvoljena valovitost napajanja 24V DC |
10% |
|
Ispitni napon |
2,5 kV |
|
Servisni vijek releja |
106 preklapanja |
|
Histereza preklapanja |
Podešena na 3% opsega signala (podesiva
između 1 i 5%) |
|
Utjecaj promjene napona napajanja od
10% |
0,2 % opsega signala |
|
Utjecaj temperature |
0,3 % za 10°C |
|
Utjecaj otpora linija za Pt100 u
trožičnom spoju |
1 % za 100 Ohm otpora linija |
|
Dozvoljena temperatura okoline |
-10 do 55°C |
|
Masa |
cca. 0,5 kg |
|
PODACI ZA
NARUDŽBU |
||||||||
|
|
||||||||
|
SIGNALIZATOR S JEDNOM ILI DVIJE
GRANIČNE VRIJEDNOSTI |
||||||||
|
|
|
|||||||
|
OPREMLJENOST |
|
|
|
|
|
|
|
|
|
1 max. 1 min. 1 max.+ 1 min. |
|
1 2 3 |
|
|
|
|
|
|
|
|
|
|
|
|
|
|
|
|
|
KUÆIŠTE |
|
|
|
|
|
|
|
|
|
144x72 72x144 područja > 1mA |
|
|
1 2 |
|
|
|
|
|
|
|
|
|
|
|
|
|
|
|
|
DAVAČ MJERNO PODRUČJE Termoelement 20 do 250 °C Fe-CuNi (mV) 20 do 400 °C 20 do 600 °C 20 do 900 °C Termoelement 20 do 600 °C Ni-Cr-Ni (mV) 20 do 900 °C 20 do 1200 °C Termoelement 20 do 1200 °C Pt Rh-Pt (mV) 20 do 1600 °C NAPON (mV) prema zahtjevu -220 do +50 °C -100 do +50 °C -30 do +60 °C 0
do +60 °C 0 do +100 °C Otporni 0 do +100 °C termometar +50 do +150 °C Pt100 0 do +200 °C 0 do +300 °C 0 do +400 °C 0 do +550 °C +200 do +400 °C +300 do +500 °C prema zahtjevu Mjerni 0
do 1 mA pretvarač (mA) 0
do 5 mA 0 do 10 mA 0 do 20 mA 4 do 20 mA Potenc. davač Ohm 0
do 100 BOJA OKVIRA NAPAJANJE 220 V~ crna 110 V~ 24 V~ 24 V~ 220 V~ siva 110 V~ 24 V~ |
|
|
|
|
|
|
|
|
|
|
|
|
1 |
1 |
0 |
1 |
|
|
|
|
|
|
1 |
1 |
0 |
2 |
|
|
|
|
|
|
1 |
2 |
0 |
3 |
|
|
|
|
|
|
1 |
2 |
0 |
4 |
|
|
|
|
|
|
1 |
2 |
0 |
5 |
|
|
|
|
|
|
1 |
2 |
0 |
6 |
|
|
|
|
|
|
1 |
2 |
0 |
7 |
|
|
|
|
|
|
1 |
1 |
0 |
8 |
|
|
|
|
|
|
1 |
1 |
0 |
9 |
|
|
|
|
|
|
1 |
0 |
0 |
0 |
|
|
|
|
|
|
3 |
5 |
2 |
1 |
|
|
|
|
|
|
3 |
5 |
2 |
2 |
|
|
|
|
|
|
3 |
4 |
2 |
3 |
|
|
|
|
|
|
3 |
4 |
2 |
4 |
|
|
|
|
|
|
3 |
4 |
2 |
5 |
|
|
|
|
|
|
3 |
5 |
2 |
6 |
|
|
|
|
|
|
3 |
4 |
2 |
7 |
|
|
|
|
|
|
3 |
5 |
2 |
8 |
|
|
|
|
|
|
3 |
6 |
2 |
9 |
|
|
|
|
|
|
3 |
6 |
3 |
0 |
|
|
|
|
|
|
3 |
6 |
3 |
1 |
|
|
|
|
|
|
3 |
4 |
3 |
2 |
|
|
|
|
|
|
3 |
4 |
3 |
3 |
|
|
|
|
|
|
3 |
0 |
0 |
0 |
|
|
|
|
|
|
2 |
3 |
1 |
1 |
|
|
|
|
|
|
2 |
3 |
1 |
2 |
|
|
|
|
|
|
2 |
3 |
1 |
3 |
|
|
|
|
|
|
2 |
3 |
1 |
4 |
|
|
|
|
|
|
2 |
3 |
1 |
5 |
|
|
|
|
|
|
4 |
7 |
4 |
1 |
|
|
|
|
|
|
|
|
|
|
|
|
|
|
|
|
|
|
|
|
1 |
|
|
|
|
|
|
|
|
|
2 |
|
|
|
|
|
|
|
|
|
3 |
|
|
|
|
|
|
|
|
|
4 |
|
|
|
|
|
|
|
|
|
5 |
|
|
|
|
|
|
|
|
|
6 |
|
|
|
|
|
|
|
|
|
7 |
|